|
Název produktu |
Námořní člun Nylonový plastový odtok z trupu s rozšířeným a horním krytem z nerezové oceli |
|
Specifikace k dispozici |
Více Velikosti |
|
Normy, které následují |
ISO 9001, CE, TUV, CCS, SGS. |
|
Dostupné vzorky |
Ano. |
|
Způsob balení |
Bublinová taška + dřevěný karton |
|
Průběh výroby |
10-15 dní pro 20ft kontejner, 20-25 dní pro 40ft kontejner. |
|
Záruční doba |
Podpora vrácení a výměny |
|
Platební lhůta |
Visa, kreditní karta, PayPal, převod TT |
|
Nakládací port FOB |
Čching-tao Čína |
|
Stav |
100% zbrusu nové |
|
Typ položky |
Přes trup |
|
Barva |
Stříbrná+černá |
|
Materiál |
Nylonový plast |

|
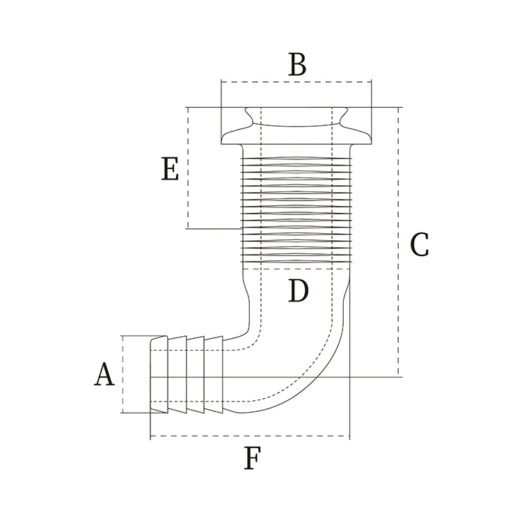
Kód |
Velikost |
A mm |
B mm |
C mm |
D mm |
E mm |
F mm |
|
AM2330-25 |
1 palec |
25.4 |
48 |
88 |
33 |
57 |
64 |
|
AM2330-30 |
1-1/8 palce |
28.5 |
48 |
88 |
33 |
51 |
91 |
|
AM2330-38 |
1-1/2 palce |
38.1 |
60 |
102 |
40 |
58 |
95 |
Kontaktujte nás pro cenovou nabídku
WhatsApp / wechat: +86-15865772126
E-mail:andy@hardwaremarine.com
Dav: +86-15865772126
Pokud máte nějaké dotazy, kontaktujte nás